- Livraison sur rendez-vous
- Achat 100% Sécurisé
- Garantie de 5 ans
- 4.174 avis, avec une évaluation de 8.9
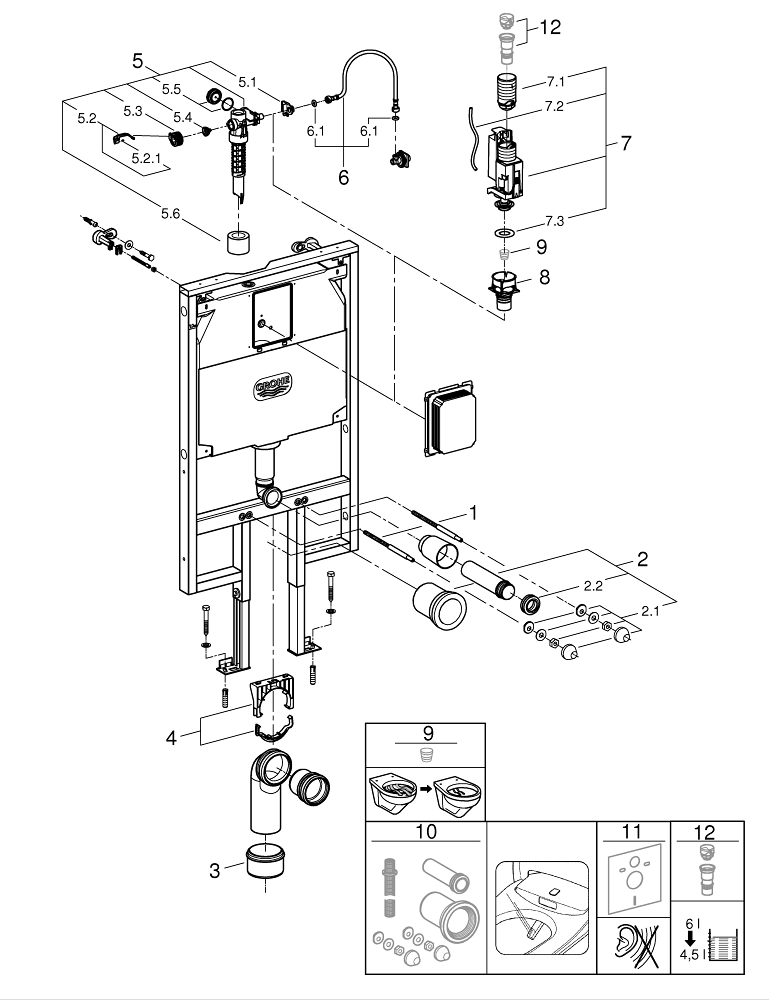
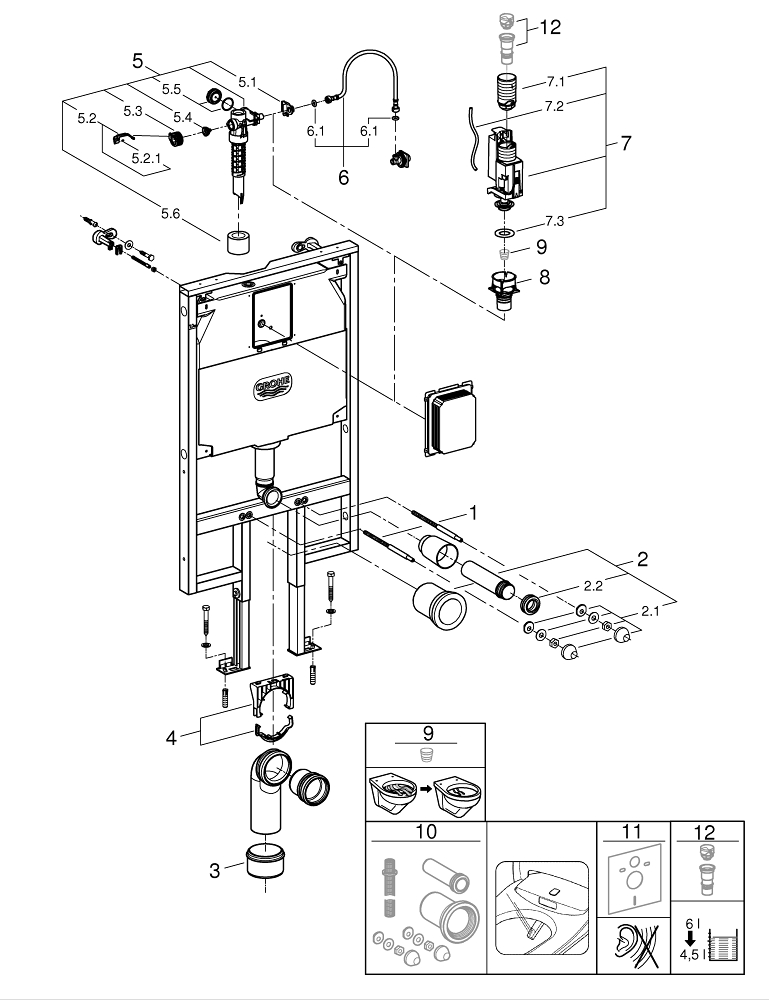
GROHE Rapid SL Bâti-support pour mur ou montage mural avec set d'accrochement 113cm pour des endroits petits profondeur encastrer 95mm
Grohe Rapid SL Bati Support
De 09:00 à 18:00
Adresse de notre représentant
10 Rue du Houblon - Zl de la Pilaterie59700 Marcq-en-Baroeul France
13 500 m2 de produits sanitaires
Articles similaires
Ce que nos clients achètent avec ce produit
Pour les espaces petits ou étroits
Pour mur porteur
Châssis en acier finition époxy
Pour cloison sèche, complètement pré-monté
Avec raccords fixés
Avec réglage rapide et verrouillage de la hauteur
Livré avec matériel de fixation
Livré avec tiges et écrous pour fixation de la cuvette WC
Fixation céramique
Ecartement des fixations 180/230 mm
Pipe de sortie PP Ø 90 mm
Réglable en profondeur
Réducteur PP Ø 90/110 mm
Garniture d´évacuation et d´alimentation
Réservoir 80 mm, 6-9 L
Réglage d'usine 3 et 6 l
Mécanisme à déclenchement pneumatique compatible avec plaque de commande simple touche (interrompable) et double touche (interrompable)
alimentation d'en haut ou par l'arrière
Réservoir isolé contre la condensation
Aucun outil n'est nécessaire pour l'installation y compris la protection pendant la phase de construction
Y compris les supports muraux 3855800M pour une installation murale
Pour installation d'une petite plaque de commande, commandez la trappe de visite 40 949 000 (vendue séparément)
Le système d’installation Rapid SL vous offre la possibilité de concevoir librement votre propre salle de bains sur mesure, en vous fournissant une méthode d’installation fiable et rapide de vos lavabos suspendus, bidets, urinoirs et WC. Disponible en deux hauteurs d’installation différentes, chaque cadre est fourni pré-assemblé avec des fi xations pour éléments sanitaires, et est soumis aux tests les p lus sévères. Nos bâtis WC sont en effet conçus pour résister à un poids de 4 00 kg.
| Numéro d'article | 0465069 | |
| Numéro de fournisseur | 38994000 | |
| EAN | 4005176932335 | |
| Marque | Grohe | |
| Série | Rapid SL |
Données techniques
Données d'article
Caractéristiques
Plus d'informations
| Garantie | 5 ans |
Autres spécifications
| Largeur réglable | Non | |
| Diamètre de tube externe raccordement 1 | 90 mm |
![]() |
Qualité, technologie, design et respect de l'environnement. Ces 4 valeurs illustrent notre engagement à créer des produits d'exception. Notre niveau d'exigence est très élevé afin qu'à chaque fois que vous utilisez un mitigeur lavabo ou une douchette GROHE vous sentiez la différence. GROHE livre tous ces produits avec un sceau de qualité exceptionnel. Toutes les parties du produit ont subies des essais d'endurance et elles ont passé les tests avec la mention excellent avant qu'elles quittent l'usine. |
La garantie de GROHE
Des matériaux de qualité supérieure, un processus industriel de pointe en combinaison avec des techniques avancées, assurera de nombreuses années de service fiable. Ceci se reflète dans la garantie de fabrication de 5 ans. GROHE tient sa promesse et vous offre un produit de première qualité.
Livraison
Dans votre panier, vous pouvez voir la date de livraison prévue du total de la commande. Vous pouvez choisir un jour de livraison qui vous convient.
Il est toujours possible que le produit que vous avez commandé ne répond pas à vos demandes. Sawiday vous offre le service d’échanger un article non utilisé endéans les 30 jours s'il est gardé dans l’emballage d’origine. Vous ne payez pas de frais de retour si vous retournez votre produit dans un de nos showrooms. Vous serez remboursé dans 15 jours après la date de retour.
